BM2系列马达

——

产品分类
— PRODUTC —
  • BM2刹车系列
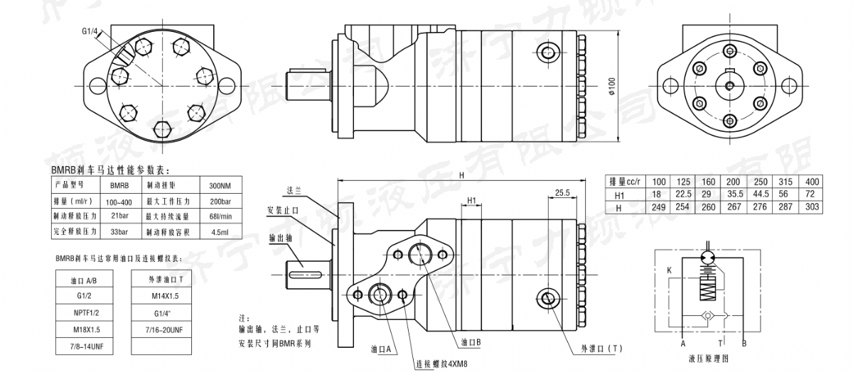
    1. BM2刹车系列BM2刹车系列BM2刹车系列BM2刹车系列BM2刹车系列BM2刹车系列BM2刹车系列BM2刹车系列BM2刹车系列BM2刹车系列BM2刹车系列BM2刹车系列BM2刹车系列

BM2刹车系列

地址:山东省济宁市任城区聚源电商小镇4号楼21号 

电话/微信:135-0638-8161(张经理)
电话/微信:135-8376-7126(李经理)
电话:0537-2635166
传真:0537-2635199   2310286


er

信息详情

small4_16896657098087797


BM2刹车系列 2023-6-16 本文被阅读 3011次
上一条:BM2车轮系列下一条:FRE系列车轮华体会体育马达

同类产品